Магазин запчастей для бытовой техники - Arlos
Москва
close
Выберите ваш регион
АбаканАлександровАльметьевскАнгарскАрзамасАрмавирАртемАрхангельскАстраханьАчинскБалаковоБалашихаБеларусьБелгородБердскБерезникиБийскБлаговещенскБратскБрянскВеликий НовгородВидноеВладивостокВладикавказВладимирВолгоградВолгодонскВолжскийВологдаВолховВоркутаВоронежВоскресенскВыборгГатчинаГеленджикГрозныйДедовскДербентДзержинскДзержинскийДимитровградДмитровДолгопрудныйДомодедовоДонецкЕвпаторияЕгорьевскЕкатеринбургЕлецЕссентукиЖелезногорскЖелезнодорожныйЖуковскийЗеленоградЗлатоустИвановоИвантеевкаИжевскИркутскИстраЙошкар-ОлаКазаньКалининградКалугаКаменск-УральскийКамышинКаспийскКемеровоКерчьКировКисловодскКлинКовровКоломнаКомсомольск-на-АмуреКопейскКоролёвКостромаКотельникиКрасногорскКраснодарКраснознаменскКрасноярскКурганКурскКызылЛенинск-КузнецкийЛипецкЛобняЛыткариноЛюберцыМагнитогорскМайкопМалаховкаМахачкалаМиассМоскваМурманскМуромМытищиНабережные ЧелныНазраньНальчикНаро-ФоминскНахабиноНаходкаНевинномысскНефтекамскНефтеюганскНижневартовскНижнекамскНижний НовгородНижний ТагилНовокузнецкНовокуйбышевскНовомосковскНовороссийскНовосибирскНовоуральскНовочебоксарскНовочеркасскНовошахтинскНовый УренгойНогинскНорильскНоябрьскОбнинскОдинцовоОктябрьскийОмскОрелОренбургОрехово-ЗуевоОрскПавловский ПосадПензаПервоуральскПермьПетрозаводскПетропавловск-КамчатскийПодольскПрокопьевскПсковПушкиноПятигорскРаменскоеРеутовРостов-на-ДонуРубцовскРыбинскРязаньСакиСалаватСамараСанкт-ПетербургСаранскСаратовСевастопольСеверодвинскСеверскСергиев ПосадСерпуховСимферопольСмоленскСосновый БорСочиСтавропольСтарый ОсколСтерлитамакСтупиноСургутСызраньСыктывкарТаганрогТамбовТверьТихвинТольяттиТомилиноТомскТроицкТулаТюменьУлан-УдэУльяновскУссурийскУсть-ИлимскУфаУхтаФеодосияФрязиноХабаровскХанты-МансийскХасавюртХимкиЧебоксарыЧелябинскЧереповецЧеркесскЧеховЧитаШахтыЩелковоЭлектростальЭлистаЭнгельсЮжно-СахалинскЯкутскЯлтаЯрославль
  • - бесплатно по РФ
    Автоперезвон. Работает по принципу: Вы позвонили на номер, мы сбрасываем звонок и перезваниваем через 3 секунды.
  • - по Москве
  • 8 (925) 663-83-63

Call-центр

пн-вс: 10:00-19:00

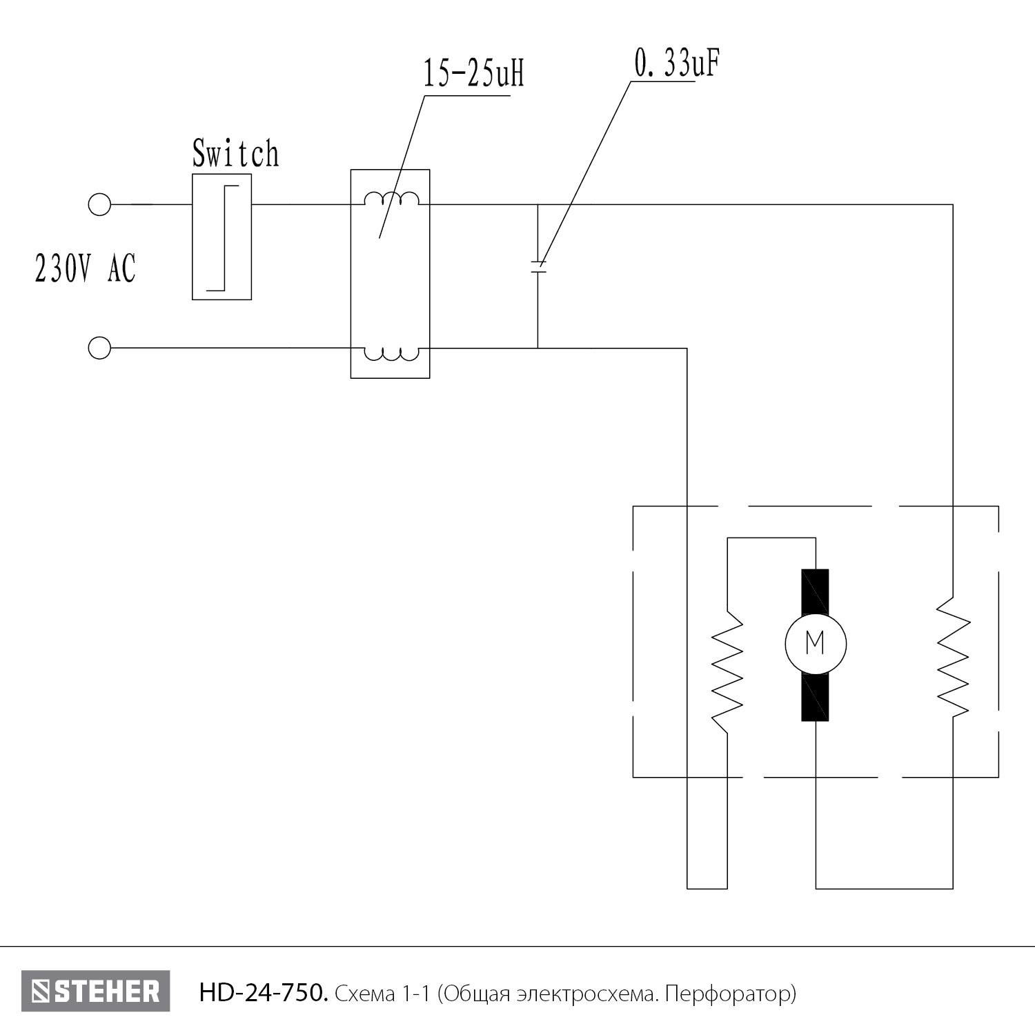
Перфоратор SDS-plus HD-24-750

Данная модель имеет несколько схем

NАртикулНазваниеСрок отгрузкиЦенаКупить
T13 U009-609-RS0 Подшипник шариковый (24х9х7) U009-609-RS0 189 р.
1 N000-040-760 Патрон в сборе (EV 1-1 - 1-10)
1-1 N000-040-761 Колпачок защитный
1-10 N000-040-768 Пружина патрона
1-3 N000-040-762 Кольцо стопорное
1-4 N000-040-763 Кольцо проставочное
1-5 N000-040-764 Кольцо стопорное
1-6 N000-040-765 Кожух патрона
1-7 N000-040-766 Кольцо проставочное D32хd21х4
1-8 N000-040-767 Пластина фиксирующая
1-9 U351-900-017 Шарик стальной D7.14 U351-900-017 84 р.
1.09 U009-607-RS0 Подшипник шариковый 607 RS (19х7х6) U009-607-RS0 для болгарок УШМ-П125-850, AGS-125-1000 286 р.
2 N000-040-769 Корпус редуктора в сборе (EV 2-1 - 2-5)
2-1 N000-040-770 Кольцо стопорное внутреннее
2-2 N000-040-771 Сальник
2-3 N000-040-772 Корпус редуктора
2-4 U010-060-810 Подшипник игольчатый HK0608 (10x6x8) 189 р.
2-5 N000-016-858 Подшипник шариковый 686-2Z (13x6x5) n/n 91 р.
3 N000-040-773 Переключатель режимов в сборе (EV 3-1 - 3-4)
3-1 N000-040-774 Кнопка стопорная
3-2 N000-040-775 Пружина сжатия
3-3 N000-040-776 Кольцо уплотнительное
3-4 N000-040-777 Переключатель режимов
5 N000-040-778 Стволик в сборе (EV 5-1 - 5-5)
5-1 N000-040-779 Стволик
5-2 N000-040-780 Кольцо уплотнительное D25.4х2
5-3 N000-040-781 Сальник D16хd9х5
5-4 N000-040-782 Втулка ударника D20хd9хH11.5
5-5 N000-040-783 Ударник d9(D14)хL41
6 N000-040-784 Кольцо стопорное внутреннее
7 N000-040-785 Ствол в сборе (EV 7-1 - 7-14)
7-1 N000-040-786 Кольцо стопорное
7-10 N000-040-795 Втулка направляющая
7-11 N000-040-796 Кольцо уплотнительное D24.8х4.4
7-12 N000-040-797 Кольцо уплотнительное D9х3.5
7-13 N000-040-798 Гильза опорная
7-14 N000-040-799 Кольцо стопорное D27.5х2
7-2 N000-040-787 Шайба упорная
7-3 N000-040-788 Пружина компрессионная
7-4 N000-040-789 Шестерня ведомая Z40
7-5 N000-040-790 Штифт D2.5хL12
7-6 N000-040-791 Диск храповой
7-7 N000-040-792 Кольцо стопорное
7-8 N000-040-793 Ствол
7-9 N000-040-794 Кольцо стопорное
8 N000-040-800 Штифт 6х10 (набор 4шт)
9 N000-040-801 Поршень в сборе (EV 9-1 - 9-5)
9-1 N000-040-802 Боек
9-2 N000-040-803 Кольцо уплотнительное D21хd15х3
9-3 N000-040-804 Поршень
9-4 N000-040-805 Палец поршневой
9-5 N000-040-837 U-образная прокладка
10 U009-627-RS0 Подшипник шариковый 627 (22х7х7) U009-627-RS0 для ЗШ-1500, ДУ-550 ЭР, ФПК-750 92 р.
10 N000-040-806 Промщит в сборе (EV 10-1 - 10-9)
10-1 N000-040-807 Втулка D35хd30
10-4 N000-040-808 Промщит
10-5 N000-040-809 Пробка фетровая
10-6 N000-040-810 Кольцо уплотнительное D28хd23.2х2.4
10-8 N000-040-811 Прижим подшипника
11 N000-040-812 Кольцо уплотнительное
12 N000-040-838 Вал ведущий в сборе (EV 12-1 - 12-5)
12-1 N000-040-813 Вал-шестерня
12-2 N000-040-814 Муфта сцепления в сборе
12-3 N000-040-815 Подшипник качающийся (пьяный)
12-4 N000-040-839 Шестерня цилиндрическая 178 р.
12-5 U304-570-018 Подшипник шариковый 607-2Z (19х7х6) 286 р.
15 N000-040-816 Переключатель внутренний в сборе (EV 15-1 - 15-5)
15-1 N000-040-817 Стержень
15-2 N000-040-818 Пластина фигурная 1
15-3 N000-040-819 Пластина фигурная
15-4 N000-040-820 Пружина сжатия
15-5 N000-040-821 Пластина фигурная 2
16 N000-040-840 Ротор КД
18 U351-800-061 Втулка подшипника 607 резиновая 92 р.
19 N000-040-841 Защита статора 101 р.
21 N000-040-842 Статор КД 840 р.
22 N000-040-843 Корпус двигателя
24 N000-040-822 Щеткодержатель (пара)
26 N000-040-823 Щетка угольная (пара) 5x8x19.5 mm
27 N000-040-824 Рукоятка левая и правая в сборе
28 N000-040-825 Переключатель реверса
29-1 V000-003-519 Выключатель 44-16 6(6)A ~250V 5E4 523 р.
29-8 V000-006-375 Шнур сетевой ZUBR PVC H05VV-F 2x1мм2 3м 286 р.
29-9 N000-040-827 Рукав кабеля
30 N000-040-828 Прижим кабеля
31 N000-040-829 Рукоятка дополнительная в сборе (EV 31-1 - 31-6)
33 N000-040-830 Пружина кручения (пара) 101 р.
Найдено товаров: 87
1
▲ Наверх
0
8 (925) 663-83-63

Call-центр

пн-вс: 10:00-19:00

НАЙТИ ПО МОДЕЛИ
Введите номер заказа
Введите номер своего заказа, что бы узнать его текущий статус.
Что бы получить доступ к расширенным функциям, пройдите не сложную регистрацию. Зарегистрироваться